検索

軌道陸上兼用車

AT-100SDW

  • 主要諸元等

主要諸元等

デッキ積載荷重 500kg
最大地上高 9.9m
最大作業半径 7.2m
デッキ外寸法(長さ×幅×手すり高さ) 2.8m × 1.55m × 0.91m
ブーム長さ 3.05m ~ 6.6m
ブーム起伏角度 -17° ~ 77°
アウトリガ張出幅 1.97m ~ 2.67m (片側ストローク 0.35m リヤのみ)

走行時寸法

全長 6,495mm
全幅 2,200mm
全高 3,170mm

重量

車両総重量 7,640kg
車両重量 7,900kg

軌陸装置

走行速度 45km/h (勾配 0/1,000)
登坂能力 勾配 50/1,000 を走行可能
勾配 50/1,000 で停止状態から発進可能
最小通過曲線半径 R=100m

走行性能(路上)

最高速度 120km/h (計算値)
登坂能力 (tanθ) 0.45 (計算値)
最小回転半径 6.2m

外観図

外観図

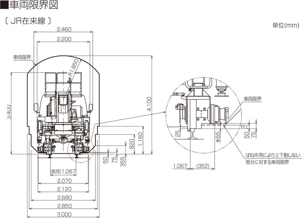
車両限界図

車両限界図

関連製品